Maide Machine Co. M-Series Bulk Transfer Mechanical Flow Meter
Features:
- Stepless adjusting mechanism allows micro adjustment of the meter accuracy during calibration
- High accuracy and repeatability over the widest range of flow, superior accuracy at constant flow
- Accuracy regardless of pressure fluctuations, temperature variation, or viscosity
- Low maintenance
- Long service life
- Low pressure loss
- For pumped flow only
- No metal-to-metal contact in measuring chamber
Standard Sepcifications:
- Aluminium body ('1') suitable for; fuel oil, diesel fuel, kerosene, ethylene glycol, motor oils and rotogravure ink
- Stainless Steel body ('8'), available only on M-50, upon which Strainer & Air Eliminator are also in Stainless Steel.
- JSQ-2, 4.1 Digit resettable (batch) counter, and 8 digit non-resettable cumulative counter
- 80 Mesh (177 Microns) strainer for Diesel ('X'). Alternatively; 40 Mesh (420 Microns - Max. permissible), 60 Mesh (250 Microns), or 100 Mesh (149 Microns) is also available.
- Air Eliminator Valve ('X') (must be under pressure, cannot be under vacuum)
Optional Features:
- Available in Cast Iron (M-50-1 only, and subject to MOQ of 20pc), or Stainless Steel (M-50-8 only), suitable for Adblue
- JSQ-4 Ticket printer (used in conjunction with JSQ-2)
- JSQ-3 5-Digit Mechanical Preset Register & valve (used in conjunction with JSQ-2) (can also be used in conjunction with JSQ-4)
- NO LONGER AVAILABLE JSQ-2/E Electronic Register (Used in conjunction with PS-100 Pulse Module)
- PS-100(/100/DC5/S2) Pulse Module, 100 Pulses Per Encoder Revolution, 5vDC, Two Channel. (Also available seperately for alternative electronics combinations, in 60 or 200 PPR) (can also be used in conjunction with JSQ-2) Using example part number builder below, the same meter with Pulse would have the part number M-50-CPX-1
Mechanism:

Specifications| Model | M-40-1 | M-50-1 | M-80-1 | M-100-1 | M-150-1 |
| Meter Material | Aluminium | Aluminium | Aluminium | Aluminium | Aluminium |
| Register | 4.1 Digit Resettable, 8 Digit Cumulative | 4.1 Digit Resettable, 8 Digit Cumulative | 4.1 Digit Resettable, 8 Digit Cumulative | 4.1 Digit Resettable, 8 Digit Cumulative | 4.1 Digit Resettable, 8 Digit Cumulative |
| Strainer | 80 mesh | 80 mesh | 80 mesh | 80 mesh | 80 mesh |
| Air Eliminator | Yes | Yes | Yes | Yes | Yes |
| Size DN | 40mm / 1.5" | 50mm / 2" | 80mm / 3" | 100mm / 4" | 150mm / 6" (Also available with reducing flanges to 100mm / 4") |
| Fitting Size | 1.5" BSP/NPT Threads | 2" BSP/NPT Threads | 3" BSP/NPT Threads | 4" BSP/NPT Threads | 4" PN16 Flanges, or 6" ANSI150/PN16 Flanges, or 4" BSP/NPT Threads |
| Flow Range | 25-250 lpm | 55-550 lpm | 115-1150 lpm (High Flow Model) | 170-1700 lpm (High Flow Model) | 300-3000 lpm (High Flow Model) |
| Volume Per Rev. | 0.309 l | 0.681 l | 1.839 l | 5.102 l | 9.507 l |
| Max. Pressure | 10 Bar / 145 PSI | 10 Bar / 145 PSI | 10 Bar / 145 PSI | 10 Bar / 145 PSI | 10 Bar / 145 PSI |
| Accuracy | ±0.2% | ±0.2% | ±0.2% | ±0.2% | ±0.2% |
| Repeatability | ±0.07% | ±0.07% | ±0.07% | ±0.07% | ±0.07% |
| Standard Measurement | Litre / US Gallon / Imperial Gallon (Choose one) | Litre / US Gallon / Imperial Gallon (Choose one) | Litre / US Gallon / Imperial Gallon (Choose one) | Litre / US Gallon / Imperial Gallon (Choose one) | Litre / US Gallon / Imperial Gallon (Choose one) |
| Dimension | 51 x 46 x 49 cm | 51 x 46 x 49 cm | 58 x 50 x 61 cm | 76 x 64 x 72 cm | 80 x 65 x 79 cm |
| Net Weight | 23 kg | 26 kg | 40 kg | 70 kg | 130 kg |
| Gross Weight | 25 kg | 28 kg | 47 kg | 93 kg | 180 kg |
| Package | Cardboard Box | Cardboard Box | Cardboard Box | Wooden Packing Case | Wooden Packing Case |
Below: M-50-CX. C/W Strainer, Air Eliminator, JSQ-2 Register

Below: M-50-GX. C/W Strainer, Air Eliminator, JSQ-4 Register & Ticket Printer

Below: M-50-KX. C/W Strainer, Air Eliminator, JSQ-3 Mechanical Preset Register & Preset Piston Valve

Below: M-50-NX. C/W Strainer, Air Eliminator, JSQ-4 Register & Ticket Printer, JSQ-3 Mechanical Preset Register & Preset Piston Valve

Below: M-50-CX-10. C/W Strainer, Air Eliminator, JSQ-2 Register, differential valve for LPG

Below: M-50-GX-10. C/W Strainer, Air Eliminator, differential valve for LPG & JSQ-4 Register & Ticket Printer

Below: NO LONGER AVAILABLE M-50-KP-X. C/W Strainer, Air Eliminator, PS-100 Pulse Module, JSQ-2/E Electronic Register, solenoid valve

Below: M-80-CX. C/W Strainer, Air Eliminator, JSQ-2 Register

Below: M-80-P. C/W PS-100 Pulse Module

Below: M-100-K. C/W Strainer, Air Eliminator, JSQ-3 Mechanical Preset Register & Preset Piston Valve, Check Valve

Below: M-150-A. C/W JSQ-2 Register, Reducing Elbows to 4"BSP/NPT

Below: M-150-CX. C/W Strainer, Air Eliminator, JSQ-2 Register, Reducing Elbows to 4"BSP/NPT

Below: M-Series Part Numbering

Below: M-Series Options

Below: M-40-1 Dimensions

Below: M-50-1 Dimensions

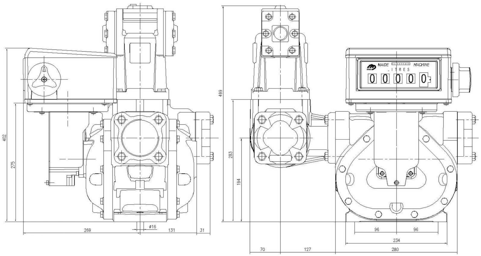
Below: M-50-NX-1 Dimensions

Below: M-80-1 Dimensions

Below: M-100-1 Dimensions


Below: M-150 Dimensions (Shown with Reducing Elbows to 4" NPT)


Below: M-150-1 Dimensions (Shown with PN16 DN150 / 6" Flanges)

Below: M-150-1 Dimensions (Shown with Reducing Flanges to PN16 DN100 / 4")

Download Maide Machine Co. M-Series Meter - Manual PDF
Download Maide Machine Co. M-Series Meter - Printed Manual Included in Box PDF
Download Maide Machine Co. M-Series Meter - EXAMPLE Calibration Test Report PDF
Download Maide Machine Co. JSQ-2/E Electronic Meter - Manual PDF
Download Maide Machine Co. PS-100 Pulse Module - Manual PDF